西安西馳電氣股份有限公司(證券代碼831081),成立于2002年,是一家專業從事電力電子產品研發、制造、銷售的高新技術企業。
了解更多
引言
低壓輔機系統(如盤車電機、潤滑油泵、液壓油泵等)是風機機組重要的輔助系統,其運行的好壞直接關系到風機機組性能。
電動機軟啟動裝置是一種具有的電動機啟動裝置,該裝置融合了的現代控制理論和專用電動機保護技術及先進的軟件技術,既能改變電動機的啟動特性,保證電動機可靠啟動,又能降低啟動電流,減少對電網的沖擊,并且可以和網絡進行通訊,實現智能控制。無論從功能、性能、負載適應能力、維護及可靠性等方面都是傳統的啟動設備(如:星/三角、自耦變壓器、磁控式啟動裝置)無法比擬的。所以,這種智能型啟動裝置取代上述傳統的啟動裝置將是一種必然趨勢。
1、電動機軟啟動裝置組成
電動機軟啟動裝置采用單片機進行邏輯控制。如圖1所示,一般由電壓檢測、電流檢測、旁路接觸器、驅動電路、控制系統和鍵盤顯示器等組成。

2、電動機軟啟動裝置選擇
電動機軟啟動裝置的選擇主要取決于它的啟動方式和停車方式。
電動機軟啟動裝置一般有以下幾種啟動模式:
限電流啟動模式就是限制電機的啟動電流,主要用于輕載啟動和對電機啟動電流有嚴格要求的場合。電壓斜坡啟動模式就是把電機電壓由小到大斜坡線性增加,主要用于重載啟動和對啟動電流要求不嚴格而啟動平穩性較高的場合。突跳啟動模式就是在電機啟動時,先給電機施加一個較高的固定電壓并持續一段時間,以克服靜阻力距,主要用于重載啟動,但是突跳時會給電網造成沖擊。轉矩控制啟動模式就是把電機的啟動轉矩由小到大斜坡線性增加,主要適用于重載啟動。電壓控制啟動模式就是保證啟動電壓壓降不變的情況下,使電機發揮出啟動力矩,主要用于輕載啟動。
電動機軟啟動裝置一般有減速停車模式、自由停車模式和制動停車模式。減速停車適用于泵類,可以有效減小壓力波動。制動停車適用于高慣性的場合。
3、電動機軟啟動裝置特點
電動機軟啟動裝置較傳統啟動裝置有以下好處:
在電網方面的好處如圖2所示。它避免產生較大電壓降以減小對電網沖擊;有效控制啟動電流:消除尖峰電流;接線方便等。

在機械方面的好處如圖3所示:減小齒輪箱、傳送帶、軸承等傳動裝置上的應力;減少水沖擊(水錘)效應;降低維護成本;縮短停工時間等。

電動機軟啟動裝置在其他方面的好處:可以根據負載情況選擇不同的啟動方式及參數設置,達到使電動機實現啟動效果;采用高性能微處理器及強大的控制軟件;高可靠性;體積小;便于安裝;對電動機的啟動和運行具有多種保護功能。如過流、過負荷、缺相、過熱等保護;便捷直觀的操作顯示鍵盤,可根據不同負載方便的對啟/停參數進行設置或修改;可以與計算機網絡進行通信;軟啟動裝置的實際輸出功率可根據負載進行設定等。
4、電動機軟啟動裝置與其他傳統啟動裝置的比較
下面把電動機軟啟動裝置與磁控降壓啟動裝置、自耦變壓器降壓啟動裝置進行簡單比較。
啟動特性:前者為軟特性,根據用戶要求可以調整。而后者為硬特性,不能根據用戶要求進行調整。
啟動電流特性:前者啟動電流根據用戶要求可以調整。而后者啟動電流不能根據用戶要求進行調整。
起始電壓:前者初始電壓可在0~3踟V范圍內調整。而后者初始電壓不能根據甩戶要求進行調整。
沖擊電流:前者對電網幾乎沒有沖擊。而后者約為電機額定電流的4~7倍,對電網沖擊較大。
電機轉矩特性:電動機軟啟動裝置沒有沖擊轉矩,力矩勻速平滑上升;磁控降壓啟動裝置常規在1次沖擊轉矩后,力矩勻速平滑上升;自耦變壓器降壓啟動裝置力矩跳躍上升,常規有2次沖擊轉矩。
啟動方式:電動機軟啟動裝置啟動模式有5種,圖4和圖5為的限流啟動和電壓斜坡啟動;磁控降壓啟動裝置區域恒流軟啟動;自耦變壓器降壓啟動裝置分段式恒壓啟動。
重量/體積:電動機軟啟動裝置輕而小;磁控降壓啟動裝置較重/較大;白耦變壓器降壓啟動裝置重而較小。
控制元件和控制方式:電動機軟啟動裝置采用高性能單片邏輯控制;磁控降壓啟動裝置采用繼電器及電子元件繼電電子控制;自耦變壓器降壓啟動裝置采用繼電器繼電控制。

5、電動機軟啟動裝置在風機輔機系統中的應用
電動機軟啟動裝置是采用電力電子、微處理器及現代控制理論等先進技術設計制造的高技術產品,它從根本上改變了傳統降壓啟動設備在電動機啟動時產生的電壓、電流突變而帶來的不良后果(如啟動時母線電壓過低、電機啟動電流過大等因素,影響母線上其他用電設備的正常工作)。因此,公司在對電動機軟啟動裝置的選擇上也有不同的要求,如盤車電機。盤車電機的主要作用就是在機組開機前,先用盤車電機把風機主軸拖動起來(轉速很小),使它在主軸上形成一層油粘膜,減少機組的靜阻力矩,便于機組啟動。原先都是采用直接啟動方式,由于直接啟動會對與主軸相聯的齒輪造成沖擊,甚至損壞。同時叉要考慮到盤車電機啟動瞬間需要克服很大的靜阻力矩,故現在采用了突跳啟動控制模式的電動機軟啟動裝置,效果非常好。又如潤滑油泵和液壓油泵等設備,由于正常情況下是兩臺油泵(一主一備,互為備用),如果在油壓低的情況下,備用泵要在晟短的時間內完成啟動,建立油壓,但又必須考慮到電網的要求,故選用了電壓控制啟動模式的電動機軟啟動裝置。
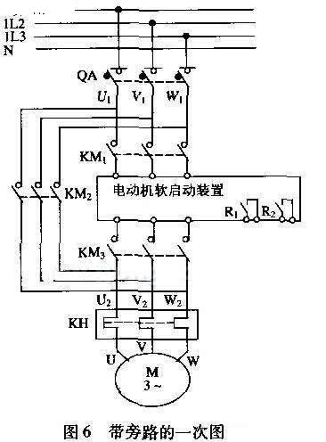
電動機軟啟動裝置常規有兩種接線方式,一種是帶旁路,另一種是不帶旁路,如圖6和圖7所示。帶旁路回路的接線方式,在電動機啟動結束后,可以通過旁路回路把軟啟動裝置旁路掉,使其不帶電,便于維護、檢修。因此,我公司在軟啟動設計時選用第一種接線方式。

下面結合盤車電機(功率為15 kW,電壓380V AC,額定電流32 A)簡單敘述一下工作原理:配置了三相斷路器、運行接觸器、旁路接觸器、熱繼電器,并且設計控制按鈕、停/運指示燈等。見圖6。

電動機啟動時,首先把三相斷路器QA、運行接觸器KMl、KMl閉合;再接通軟啟動裝置,軟啟動裝置檢查內部元器件,內部繼電器R,輸出允許啟動信號給控制回路;軟啟動裝置帶電進行啟動,當電機轉速達到額定轉速時,內部繼電器R:輸出啟動結束指令給旁路接觸器KM2,KM,閉合使軟啟動裝置離線,啟動結束。
Copyright ? 2019 西安西馳電氣股份有限公司 保留所有版權 陜ICP備09009982號-1
陜公安備 61019002000087